| Модель мельницы | Чертеж |
Объем барабана, не менее V=л |
Варианты футеровки |
Мощность электродвигателя: кВт,об./мин. |
Комплект мелющих тел =КГ. |
Габаритные размеры (Д*Ш*В), мм |
|---|---|---|---|---|---|---|
| МШМП-06 |
![]() |
100 |
- Алюбит - Уралит - Полиуретан - Резина |
1,5/1000 | 40 | 1250*1050*1520 |
| МШСП-06 |
|
100 |
- Алюбит - Уралит |
1,5/1000 | 40 | 1250*1100*1550 |
|
МШМП-08 |
![]() |
400 |
- Алюбит - Уралит - Полиуретан - Резина |
3/1000 | 160 | 2000*1150*1600 |
| МШСП-08 |
|
400 |
- Алюбит - Уралит |
3/1000 | 160 | 2000*1150*1650 |
| МШМП-10 |
|
600 |
- Алюбит - Уралит - Полиуретан - Резина |
4/1000 | 220 | 2200*1450*1850 |
| МШСП-10 |
|
600 |
- Алюбит - Уралит |
4/1000 | 220 | 2200*1450*1850 |
|
МШМП-12 |
|
1000 |
- Алюбит - Уралит - Полиуретан - Резина |
4/1000 | 350 | 2200*1450*2000 |
| МШСП-12 |
|
1000 |
- Алюбит - Уралит |
4/1000 | 350 | 2200*1450*2050 |
| МШМП-15 |
|
2200 |
- Алюбит - Уралит - Полиуретан - Резина |
7,5/750 | 800 | 2600*1950*2650 |
| МШСП-15 |
|
2200 |
- Алюбит - Уралит |
7,5/750 | 800 | 2600*2000*2670 |
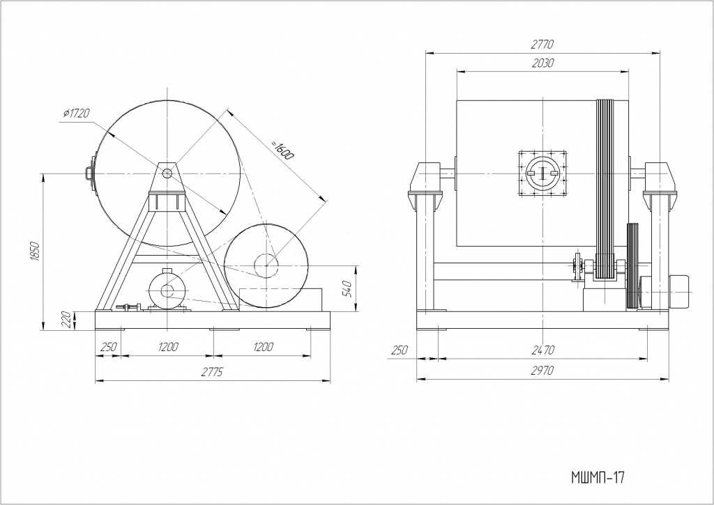
| МШМП-17 |
|
3600 |
- Алюбит - Уралит - Полиуретан - Резина |
11/750 | 1700 | 3300*2700*2860 |
| МШСП-17 |
|
3600 |
- Алюбит - Уралит |
11/750 | 1700 | 3300*3000*2920 |
| МШМП-19 |
|
4500 |
- Алюбит - Уралит - Полиуретан - Резина |
15/750 | 2200 | 3350*2800*3060 |
| МШСП-19 |
|
4500 |
- Алюбит - Уралит |
15/750 | 2200 | 3350*3100*3120 |
| МШМП-24 |
|
9000 |
- Алюбит - Уралит - Полиуретан - Резина |
30/750 | 4000 | 4600*3800*3200 |
| МШСП-24 |
|
9000 |
- Алюбит - Уралит |
30/750 | 4000 | 4600*3800*3300 |
Шаровые мельницы периодического действия обеспечивают тонкое механическое измельчение материалов, применяясь в различных отраслях промышленности, включая керамическую, химическую и лакокрасочную. Данное оборудование позволяет измельчать широкий спектр материалов до требуемой степени дисперсности. В настоящий момент это оборудование активно используется во многих индустриальных секторах, где ему не существует адекватной замены.
Эти мельницы обладают уникальной способностью измельчать разнообразные материалы до требуемой степени дисперсности. Благодаря вращению барабана с мелющими телами, материал подвергается интенсивному воздействию, что приводит к его дробления и измельчению.
Несмотря на появление новых технологий, шаровые мельницы продолжают оставаться незаменимыми в многих промышленных процессах. Их эффективность и надежность, проверенные временем, делают их ценным активом для предприятий, работающих с твердыми материалами.
Например, в керамической промышленности шаровые мельницы используются для получения порошков с заданной фракционной структурой, необходимой для производства высококачественной керамики. В химической промышленности они играют важную роль в подготовке сырья для различных химических реакций, а в лакокрасочной промышленности – в производстве пигментов и наполнителей.
Актуальность шаровых мельниц обусловлена их универсальностью и простотой эксплуатации. Они могут обрабатывать широкий диапазон материалов, от мягких до твердых, с различными характеристиками.
Шаровые мельницы, продолжают оставаться незаменимыми инструментами в современной промышленности. Их способность к тонкому измельчению, универсальность и надежность делают их ценным активом для предприятий различных отраслей.










